感官分析實驗室的建設
感官分析實驗室可應用于食品、產品等質量評價、偏好評價和安全評價等感官品質分析評價并指導產品配方、工藝的確定或改進。
感官實驗室的設計原則:
保證感官評價在已知和*小干擾的可控條件下進行;
減少生理因素和心理因素對評價員判斷的影響。
感官實驗室的建立
感官分析實驗室的建立應根據是否為新建實驗室或是利用已有設施改造而有所不同。
典型的實驗室設施一般包括:供個人或小組進行感官評價工作的檢驗區;樣品準備區;辦公室;更衣室和盥洗室;供給品貯藏室;樣品貯藏室;評價員休息室。
實驗室至少應具備:供個人或小組進行感官評價工作的檢驗區;樣品準備區。
感官分析實驗室宜建立在評價員易于到達的地方,且除非采取了減少噪聲和干擾的措施,應避免建在交通流量大的地段(如餐廳附近)。應考慮采取合理措施以使殘疾人易于到達。
評價員在進入評價間之前,實驗室*好能有一個集合或等待的區域。此區域應易于清潔以保證良 好的衛生狀況。

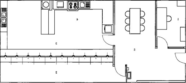
感官分析實驗室的設計平面圖
一、感官實驗室檢驗區
1 一般要求
1.1 位置
檢驗區應緊鄰樣品準備區,以便于提供樣品。但兩個區域應隔開,以減少氣味和噪聲等干擾
為避免對檢驗結果帶來偏差,不允許評價員進入或離開檢驗區時穿過準備區。
1.2溫度和相對濕度
檢驗區的溫度應可控。如果相對濕度會影響樣品的評價時,檢驗區的相對濕度也應可控。
除非樣品評價有特殊條件要求,檢驗區的溫度和相對濕度都應盡量讓評價員感到舒適。
1.3噪聲
檢驗期間應控制噪聲。宜使用降噪地板,*大限度地降低因步行或移動物體等產生的噪聲。
1.4氣味
檢驗區應盡量保持無氣味。一種方式是安裝帶有活性炭過濾器的換氣系統,需要時,也可利用形成 正壓的方式減少外界氣味的侵入。
檢驗區的建筑材料應易于清潔,不吸附和不散發氣味。檢驗區內的設施和裝置(如地毯、椅子等)也 不應散發氣味干擾評價。根據實驗室用途,應盡量減少使用織物,因其易吸附氣味且難以清洗。
使用的清潔劑在檢驗區內不應留下氣味。
1.5裝飾
檢驗區墻壁和內部設施的顏色應為中性色,以免影響對被檢樣品顏色的評價。宜使用乳白色或中 性淺灰色(地板和椅子可適當使用暗色)。
1.6照明
感官評價中照明的來源、類型和強度非常重要。應注意所有房間的普通照明及評價小間的特殊照 明。檢驗區應具備均勻、無影、可調控的照明設施。
盡管不要求,但光源應是可選擇的,以產生特定照明條件。
例如:色溫為6 500 K的燈能提供良好的、中性的照明,類似于“北方的日光”;色溫為5 000 K- 5 500 K的燈具有較高的顯色指數,能模仿“中午的日光”。
進行產品或材料的顏色評價時,特殊照明尤其重要。為掩蔽樣品不必要的、非檢驗變量的顏色或視 覺差異,可能需要特殊照明設施。可使用的照明設施包括:調光器;彩色光源;濾光器;黑光燈;單色光源,如鈉光燈。
在消費者檢驗中,通常選用日常使用產品時類似的照明。檢驗中所需照明的類型應根據具體檢驗 的類型而定。
1.7安全措施
應考慮建立與實驗室類型相適應的特殊安全措施。若檢驗有氣味的樣品,應配置特殊的通風櫥;若 使用化學藥品,應建立化學藥品清洗點;若使用烹調設備,應配備專門的防火設施。
無論何種類型的實驗室,應適當設置安全出口標志。
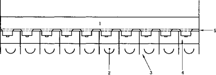
2評價小間
2.1 一般要求
許多感官檢驗要求評價員獨立進行評價。當需要評價員獨立評價時,通常使用獨立評價小間以在 評價過程中減少干擾和避免相互交流。
2.2數量
根據檢驗區實際空間的大小和通常的檢驗類型確定評價小間的數量,并保證檢驗區內有足夠的活 動空間和提供樣品的空間。
2.3設置
推薦使用固定的評價小間,也可使用臨時的、移動的評價小間。
若評價小間是沿著檢驗區和準備區的隔墻設立的,則宜在評價小間的墻上開一窗口以傳遞樣品。 窗口應裝有靜音的滑動門或上下翻轉門等。窗口的設計應便于樣品的傳遞并保證評價員看不到樣品準 備和樣品編號的過程。為方便使用,應在準備區沿著評價小間外壁安裝工作臺。
需要時應在合適的位置安裝電器插座,以供特定檢驗條件下需要的電器設備方便使用。
若評價員使用計算機輸入數據,要合理配置計算機組件,使評價員集中精力于感官評價工作。例 如,屏幕高度應適合觀看,屏幕設置應使眩光*小,一般不設置屏幕保護。在令人感覺舒適的位置,安置 鍵盤和其他輸入設備,且不影響評價操作。
評價小間內宜設有信號系統,以使評價員準備就緒時通知檢驗主持人,特別是準備區與檢驗區有隔 墻分開時尤為重要。可通過開關打開準備區一側的指示燈或者在送樣窗口下移動卡片。樣品按照特定 的時間間隔提供給評價小組時例外。
評價小間可標有數字或符號,以便評價員對號入座。
2.4布局和大小
評價小間內的工作臺應足夠大以容納以下物品:樣品;器皿;漱口杯;水池(若必要);清洗劑;問答表、筆或計算機輸入設備。
同時工作臺也應有足夠的空間,能使評價員填寫問答表或操作計算機輸入結果。
工作臺長*少為0.9 m,寬0.6 m。若評價小間內需增加其他設備時,工作臺尺寸應相應加大。工 作臺要高度合適,以使評價員可舒適地進行樣品評價。
評價小間側面隔板的高度至少應超過工作臺表面0. 3 m,以部分隔開評價員,使其專心評價。隔板 也可從地面一直延伸至天花板,從而使評價員完全隔開,但同時要保證空氣流通和清潔。也可采用固定 于墻上的隔板圍住就座的評價員。
評價小間內應設一舒適的座位,高度與工作臺表面相協調,供評價員就座。若座位不能調整或移 動,座位與工作臺間的距離至少為0. 35 m。可移動的座位應盡可能安靜地移動。
評價小間內可配備水池,但要在衛生和氣味得以控制的條件下才能使用。若評價過程中需要用水, 水的質量和溫度應是可控的。抽水型水池可處理廢水,但也會產生噪聲。
如果相關法律法規有要求,應至少設計一個高度和寬度適合坐輪椅的殘疾評價員使用的專用評價 小間。
2.5顏色
評價小間內部應涂成無光澤的、亮度因數為15%左右的中性灰色(如孟塞爾色卡N4至N5)。當被 檢樣品為淺色和近似白色時,評價小間內部的亮度因數可為30%或者更高(如孟塞爾色卡N6),以降低 待測樣品顏色與評價小間之間的亮度對比。
2.6照明
見1.6普通照明的要求。

3.集體工作區
3.1 一般要求
感官分析實驗室常設有一個集體工作區,用于評價員之間以及與檢驗主持人之間的討論,也用于評 價初始階段的培訓,以及任何需要討論時使用。
集體工作區應足夠寬大,能擺放一張桌子及配置舒適的椅子供參加檢驗的所有評價員同時使用。桌子應較寬大以能放置以下物品:
——供每位評價員使用的盛放答題卡和樣品的托盤或其他用具;
——其他的物品,如用到的參比樣品、鋼筆、鉛筆和水杯等;
——計算機工作站(必要時可選)。
桌子中心可配置活動的部分,以有助于傳遞樣品。也可配置可拆卸的隔板,以使評價員相互隔開, 進行獨立評價。*好配備圖表或較大的寫字板以記錄討論的要點。

ASKN研發生產的工作臺
3.2照明
集體工作區的照明要求如 1.6。
二、感官實驗室準備區
一般要求
準備樣品的區域(或廚房)要緊鄰檢驗區,避免評價員進入檢驗區時穿過樣品準備區而對檢驗結果 造成偏差。
各功能區內及各功能區之間布局合理,使樣品準備的工作流程便捷高效。
準備區內應保證空氣流通,以利于排除樣品準備時的氣味及來自外部的異味。
地板、墻壁、天花板和其他設施所用材料應易于維護、無味、無吸附性。
準備區建立時,水、電、氣裝置的放置空間要有一定余地,以備將來位置的調整。
設施
準備區需配備的設施取決于要準備的產品類型。通常主要有:工作臺(感官臺等)洗滌用水池和其他供應洗滌用水的設施。

必要設備,包括用于樣品的貯存、樣品的準備和準備過程中可控的電器設備,以及用于提供樣 品的用具(如:容器、器皿、器具等)。設備應合理擺放,需校準的設備應于檢驗前校準。
清洗設施。
收集廢物的容器。
貯藏設施。
其他必需的設施。
用于準備和貯存樣品的容器以及使用的烹飪器具和餐具,應采用不會給樣品帶來任何氣味或滋味 的材料制成,以避免玷染樣品。
三、辦公室
1一般要求
辦公室是感官評價中從事文案工作的場所,應靠近檢驗區并與之隔開。
2大小
辦公室應有適當的空間,以能進行檢驗方案的設計、問答表的設計、問答表的處理、數據的統計分 析、檢驗報告的撰寫等工作,需要時也能用于與客戶討論檢驗方案和檢驗結論。
3設施
根據辦公室內需進行的具體工作,可配置以下設施:辦公桌或工作臺、檔案柜、書架、椅子、電話、用 于數據統計分析的計算器和計算機等。
也可配置復印機和文件柜,但不一定放置在辦公室中。
四、輔助區
若有條件,可在檢驗區附近建立更衣室和盥洗室等,但應建立在不影響感官評價的地方。 設置用于存放清潔和衛生用具的區域非常重要。
本文的感官分析實驗室建設設計,既適用于食品的感官評價,也適用于非食品的感官評價。然而針對特定的用途,實驗室需要進行調整。對于特定的檢驗產品或檢驗類型,尤其是對于非食品的感官評價,實驗室設計常需要進行修改,具體請致電我們。
上一篇:實驗室通風系統設計
下一篇:通風柜的設置標準規范

